

掌握防爆認證技術,,必須先要理解防爆認證中的電氣設備類型劃分、爆炸性區域分區、爆炸性物質分類、溫度組別、設備保護級別等基本知識。[敏感詞]有阿凡提防爆簡單介紹防爆認證技術的爆炸性危險區域的劃分。
不同危險場所應當選用不同類型的防爆電氣設備, 并采用不同的防爆措施。因此,首先必須正確劃分所在環境的危險區域。
一、氣體、蒸氣爆炸危險場所
根據爆炸性氣體混合物出現的頻繁程度和持續時間將此類危險區域分為0區、1區和2區。危險區域的大小受通風條件、釋放源特征和危險物品性能參數的影響。
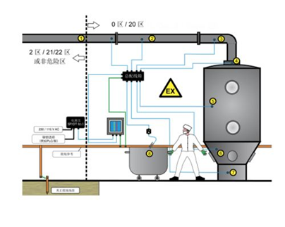
(1)0區:在正常情況下,爆炸性氣體混合物,連續地、段時間頻繁出現或長時間存在的場所。(2)1區:在正常情況下,爆炸性氣體混合物有可能出現的場所。
(3)2區:在正常情況下,爆炸性氣體混合物不能出現,僅在不正常情況下偶爾短時間出現。
爆炸危險區域的級別主要受釋放源特征和通風條件的影響。
連續釋放比周期性釋放級別高;周期性釋放比偶然短時間釋放的級別高。
良好的透風可降低爆炸危險區域的范圍和等級。
爆炸危險區域的范圍和等級還與危險蒸氣密度等因素有關。
二、可燃性粉塵環境
爆炸性粉塵環境是指在生產、加工、處理、轉運或貯存過程中出現或可能出現爆炸性粉塵、可燃性導電粉塵、可燃性非導電粉塵和可燃纖維與空氣形成的爆炸性粉塵混合物的環境。
1、爆炸性粉塵環境的分區
爆炸性粉塵環境根據爆炸性粉塵混合物出現的頻繁程度和持續時間,按下列規定進行分區。
(1)20區:在正常運行過程中可燃性粉塵連續出現或經常出現,其數量足以形成可燃性粉塵與空氣混合物和/或可能形成無法控制和極厚的粉塵層的場所及容器內部。
(2)21區:在正常運行過程中可能產生可燃濃度的可燃粉塵與空氣混合物的場所。
(3)22區:在正常運行下,可燃性粉塵與空氣混合物不能出現,僅在異常條件下,可燃粉塵偶爾出現并且只是短時間存在的場所。
爆炸危險區域的劃分應按爆炸性粉塵的量、爆炸極限和通風條件確定。

符合下列條件之一時,可劃為非爆炸危險區域:
(1)有良好除塵效果的除塵裝置,當該除塵裝置停車時,工藝機組能連鎖停車;
(2)設有為爆炸性粉塵環境服務,并用墻阿凡提防爆隔絕的送風機室,其通向爆炸炸性粉塵環境的風道設有能防止爆炸性粉塵混合物侵人的安全裝置;
(3)區域內使用爆炸性粉塵的量不大,且在排風柜內或風罩下進行操作。
要注意,為爆炸性粉塵環境服務的排風機室,應與被排風區域的爆炸危險區域等級相同。
本文版權歸蘇州阿凡提防爆技術有限公司所有,嚴禁抄襲盜用和轉載。

